Блог » Деревянная рейка с подсветкой. WhatsApp звонок со всего мира бесплатно
- Блог » Деревянная рейка с подсветкой. WhatsApp звонок со всего мира бесплатно
- Рейка с подсветкой
 - Этот проект наглядно демонстрирует, как стильно и технологично выглядит рейка с подсветкой в интерьере!
 - Как же устроена рейка с подсветкой изнутри? Давайте смотреть детали!
 - Для начала подберем световой профиль для размещения в боковой части рейки,
 - Осталось установить блок питания светодиодной ленты
 
 - Декоративные рейки в интерьере 2022: ТОП 100 фотоидей
 - Сделать рейки самостоятельно. Как сделать рейки самостоятельно?
 - Рейки декоративные с подсветкой. Рейки с подсветкой
 - Рейки на кривую стену. Каким способом крепить рейки к стене?
 
Блог » Деревянная рейка с подсветкой. WhatsApp звонок со всего мира бесплатно
Администратор 2020-06-01T15:56:33+03:00
Рейка с подсветкой
Рейка с подсветкой – очень стильное и трендовое интерьерное решение. Применение рейки в интерьере очень широко. Например, регулярно возникает у нас тема арочного освещения. Световой проект для оформления арок мы реализовывали и в жилых помещениях, и в качестве уличных объектов .
Но дизайнерская мысль всегда находит новые решения!
 Дизайнеры из Тулы Наталья Сидорова   и Наталья Фахрутдинова   создали интересный проект интерьера.
Центральный объект – межкомнатная арка со встроенными в рейки световыми конструкциями.
Этот проект наглядно демонстрирует, как стильно и технологично выглядит рейка с подсветкой в интерьере!

Чтобы реализовать задумку с освещением в рейке в арочном варианте нужно было подобрать качественный материал.
Идеальную рейку из дуба мы искали долго. Ровную рейку, которая не гнется «саблей», с добросовестной обработкой и натуральным покрытием нашли у trendfloor в Самаре.
Но рейка – первый шаг на пути создания арки с подсветкой. Почему мы предъявляли особые требования к качеству рейки? Рейка должна идеально выдерживать фрезерную обработку под специальную ультратонкую систему узких профилей и светодиодных лент.
Работа по монтажу освещения в рейку была кропотливой. Но наличие ультратонких блоков питания высотой всего 15 мм облегчило задачу. Применение таких технологичных решений позволяет работать с рейкой даже небольшого размера – высотой от 20 мм!
Конечно, реализация такого проекта возможна только при условии включенности всех партнеров. Совместная работа двух компаний, поставщика рейки trendfloor_smr и нас, как разработчиков и производителей встраиваемой световой технологии, сделало возможным существование этого интерьерного решения.
Создать рейку со встроенной подсветкой мы можем на производстве. Любой формы, любого размера.
В наших правилах делиться закулисьем нашего цеха. Это показывает то, какие возможности открываются перед дизайнерами при проектировании интерьеров.
Технология скрытого света, светильники в рейке и арочное освещение – это на 100% интерьерные тренды.
Так давайте использовать потенциал скрытого света в рейке в полном объеме!
Дизайнеры интерьера и экстерьера, какие удивительные технологии ждут ваших проектов!


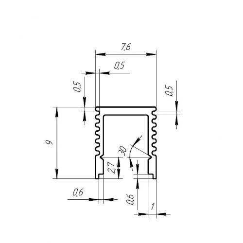
Как же устроена рейка с подсветкой изнутри? Давайте смотреть детали!
Для начала подберем световой профиль для размещения в боковой части рейки,
Изначально мы планировали использовать профиль размера 16*12мм. Но нам нужно помнить о том, что внутри рейки еще должен прятаться блок питания. А в этом случае для него места нет. Поэтому выбор мы остановили на профиле более компактного размера 7*9 мм.
Осталось установить блок питания светодиодной ленты
Для использования внутри рейки нам нужен ультраузкий блок питания. Он имеет габариты сечения 15*15 мм. Подходит!
Рейка с подсветкой готова!
Мы отточили технологию монтажа светильников внутрь рейки. Вся суть технологии продемонстрирована на минимальном размере рейки. Это значит, что мы можем масштабировать ее под любой проект. Причем наше техническое решение обеспечит минимальную потерю высоты при монтаже рейки на стене или в дверном проёме.




Декоративные рейки в интерьере 2022: ТОП 100 фотоидей

Особенности отделки рейками
Рейки из дерева, планки, ламели и баффели — всё это название одного универсального материала. Он подходит для отделки любой комнаты: от гостиной до ванной и используется даже в ландшафтном дизайне. Правда, с некоторыми оговорками.
Самой популярной породой для изготовления декоративных планок является сосна. Из очевидных плюсов: цена и прочность, но и минус есть — впитывание влаги. Чтобы материал прослужил долго, его необходимо покрыть специальной пропиткой. Тогда можно избежать усыхания и набухания. Но дизайнеры всё же не рекомендуют использовать декор из сосны в комнатах с повышенной влажностью — например, в ванной.
В качестве альтернативы можно рассмотреть МДФ, он ещё и дешевле, а также бук и дуб — из натуральных аналогов.
Достоинства и недостатки декоративных реек
Реечное оформление стен привлекает внимание многих дизайнеров, благодаря массе достоинств, которыми обладает оригинальная отделка. К числу явных достоинств материала относятся:
- экологическая чистота и гипоаллергенность;
 - простота установки конструкции своими руками;
 - достаточный уровень шумоизоляции;
 - маскировка дефектов поверхности стены;
 - удобство установки техники, мебели и декоративных элементов;
 - невысокая стоимость.
 

Однако, прежде чем решиться на монтаж декоративных реек у себя в жилище, следует обратить внимание и на некоторые недостатки такого материала:
- неустойчивость к гниению и образованию грибка;
 - уменьшение площади помещения за счет каркасного основания под декоративные элементы;
 - пожароопасность;
 - деформация скручивания из-за рассыхания.
 

Но стоит заметить, что при правильном уходе за реечным оформлением стены и бережном к нему отношении можно избежать проявления многих недостатков такого материала.

Какие рейки лучше выбрать?
Прежде чем установить деревянные рейки на стене в интерьере, необходимо выбрать материал, из которого они будут сделаны.
- Сосна — самая недорогая и доступная по цене древесина. Её редко поражает грибок или повреждают насекомые. Однако, с подготовкой придется повозиться: сосна требует пропитки от влаги и обработки щелочью перед нанесением лака.
 - Бук — дороже, но прочнее сосны. Из недостатков — возможность гниения, поэтому требует обработки специальным составом.
 - Дуб — долговечная и прочная, но в то же время дорогая элитная порода. Массив дуба отличается устойчивостью к влаге, насекомым и плесени, поэтому для него будет достаточно поверхностной обработки.
 - МДФ со шпоном — прочная и недеформируемая альтернатива. Из-за клея в составе такой материал не самый экологичный. К тому же, внешне даже шпонированный МДФ отличается от натурального дерева.
 - Металл — самый долговечный вариант из всех возможных. Стоит дороже древесины и встречается реже. Может быть любого цвета, в том числе с имитацией структуры дерева. Серые окрашенные ламели прекрасно смотрятся в интерьере в стиле минимализм и хай-тек, черные — в лофте, белые — в сканди, цветные — в модерне или провансе.
 

Бруски могут быть любой ширины и толщины. Размер сечения подбирают исходя из целей и размеров помещения: чем меньше комната, тем тоньше должны быть доски и наоборот. Совет: сращенные деревянные баффели практически не деформируются, а по экологичности и красоте не уступают цельным.
Редкие породы дерева

Есть еще несколько вариантов реек, изготовленных из ценных пород дерева. В обычных строительных магазинах такую продукцию практически не предлагают. Поэтому дизайнеры или домашние мастера заказывают ламели у профессионалов. Наша команда также имеет возможно выполнять заказы из редких пород дерева.
Самыми востребованными панелями считаются из:
- Ясеня. Древесина отличается легкостью и упругостью, простотой обработки, светло-желтым оттенком с ярко выраженными волокнами. Пригодна для создания настенного декора.
 - Карельской березы. Является дорогостоящей древесиной с причудливыми узорами. После специальной обработки приобретает прочность, мраморную поверхность.
 
Также допустимо использование материалов из тиса, секвойи, палисандра, венге, эбенового дерева, сандала, бокото и так далее. Какую древесину выбрать — зависит от личных желаний и финансовых возможностей.
Сделать рейки самостоятельно. Как сделать рейки самостоятельно?
Итак, если мы не ходим платить по 1000 рублей за одну рейку, можно попробовать сделать их своими руками. И тут есть сразу несколько вариантов..
Во-первых, можно найти частного мастера, который изготавливает мебель под заказ. Для него это по сути то же самое – нужно будет просто нарезать и склеить щиты МДФ под нужные размеры и обтянуть их шпоном или пленкой “под дерево”. Получится та самая интерьерная рейка из МДФ. Под заказ такие рейки могут стоит в пару раз дешевле. Тут как договоритесь. Плюс, можно выбрать любой тон и любой размер.

Во-вторых, можно сделать купить или заказать в специализированном магазине (тот же “Все из дерева”) рейки например из березы или любого другого хорошо высохшего дерева. Тут главный принцип, чтобы рейки были абсолютно высохшими и ровными. Просто рейки стоят сильно дешевле уже подготовленных.
Итак, эти рейки нам нужно будет порезать под размер (высота до потолка), тщательно отшливовать и покрасить красивой пропиткой, чтобы проявить цвет и защитить дерево. Когда пропитка высохнет – рейки готовы к установке.


В-третьих, некоторые умельцы делают рейки из.. фанеры. Почему бы и нет? Тут важно найти в тех же специализированных магазинах листы фанеры, толщиной 25 миллиметров и высотой, подходящей для ваших целей (в простых магазинах листы фанеры обычно малых размеров). Там же в магазине можно попросить лист сразу напилить на полоски толщиной в 5 сантиметров.

Получаем много реек, размером 2,5х5 сантиметров, что вполне пригодно для декоративной отделки стен. Дальше – как и в предыдущем пункте, нужно покрыть рейки пропиткой или морилкой. Пожеланию нанести сверху матовый лак.
Рейки декоративные с подсветкой. Рейки с подсветкой
Рейки с декоративной подсветкой или со встроенными между рейками полноценными светильниками – непроходящий тренд последних лет, и дизайнеры интерьера часто вводят в свои проекты такой декор.
Возможны такие варианты расположения:
Для встраивания света в рейки или между рейками требуется не просто одна светодиодная лента. Собираются комплекты из алюминиевого профиля, ленты, экрана, блока питания, коннекторов, и, если есть необходимость, блоков удаленного управления освещением. При этом еще и светодиодные ленты бывают разные по качеству.
Надежные производители, такие каки, дают гарантию на свои светодиоды, что они не перегорят через год-полтора, и не станут тусклее. Поэтому мы смело можем предлагать их светодиодные ленты для общего освещения, а не только в виде декоративной подсветки. Если вам нужна подсветка, то небольшое уменьшение яркости возможно не так критично.
Вам не обязательно разбираться во всех тонкостях.
Светодиодные светильники между рейками
Светодиодные светильники не так сильно греются, как другие виды освещения, поэтому идеально подходят для встраивания в деревянные и МДФ-конструкции. Такие светильники могут быть очень яркими и заменять все освещение в помещении. Поэтому этот прием при всей своей декоративности очень функционален.
Низкий потолок будет казаться выше, если провести рейки со стены на потолок. Вот и еще один плюс.
С другой стороны рейки со светильниками могут быть и подвесными, что хорошо подходит для высоких потолков. Как пример выше, так же выполненный проект фабрики Varman:

Светодиодные профили между рейками
Для проекта, в котором дизайнер нарисовал световую линию по всей длине или высоте рейки, лучше подойдут встраиваемые профили для светодиодных лент. Они соединяются между собой так же, как и ленты, и обрезаются под нужную длину.
Такое решение тоже позволяет визуально увеличить потолок. При этом рейки и светодиодные профили можно взять максимально тонкими – тогда конструкция заберет меньше высоты потолка, чем гипсокартон или натяжной, в которые в общем случае можно так же встраивать такие профили.
Профили бывают разных размеров, форм и цветов
Некоторые наши поставщики красят профили в заданный цвет по RAL. Фабрика Varman так же по заказу красит рейки в любой цвет из этой системы. Это позволяет создавать интересные решения.
Как с помощью реек можно спрятать дверь – смотрите фото.
Как видите, светодиодные ленты можно встроить как по всей длине, так и взять небольшие и расположить художественно. Еще один вариант, это
Встроенный в рейку светодиодный профиль
Встроить LED профиль в рейку можно разными способами: на фронтальную или боковую поверхность, по всей длине или нет,
Конечно, при встраивании в торец рейки освещение получится скорее декоративное.
Рейки на кривую стену. Каким способом крепить рейки к стене?
Рейки – это удобный способ разнообразить интерьер, добавить ему динамики. Но важно помнить, что технические нюансы монтажа у реек тоже имеются. Следует тщательно подготовиться, как морально, так и фактически, чтобы в процессе вас не настигли неудачи!
Монтаж реек на стене и потолке Монтаж реек на стене и потолкеПодготовка
Разумеется, рейки необходимо обработать средствами для продления жизни дерева или покрасить в нужный вам цвет перед работой.
Основные способы крепления:
"По статистике каждый пятый посетитель читал другие наши статьи" Ремэлль
В обоих случаях вам понадобятся крепежи , но подбирать их следует после выбора способа монтажа. Не всегда метиз будет взаимодействовать с рейкой, иногда его работа ограничена закладным элементом.
Подготовка реек к монтажу Подготовка реек к монтажуСквозной монтаж
Более основательный способ крепежа, для которого может понадобиться обрешетка или лист фанеры в качестве подложки.
Этот способ начинаем с подготовки стены. Важно помнить, что какой бы способ крепежа вы ни выбрали, стена под рейки должна быть выведена в ноль! Только на идеально ровную стену можно крепить жесткие деревянные рейки.
Обычно сквозной монтаж делается с предустановленной фанерой. Ее сажают на стену с помощью клея и саморезов, а уже потом на фанеру крепят рейки. Способ удобный и более надежный, чем если крепить рейки непосредственно к стене. Но пространство съедает.
Кстати, сами рейки тоже рекомендуем крепить к фанере или стене с помощью клея, а уже потом закреплять по бокам гвоздями-шпильками.
Крепление реек на обрешетку Крепление реек на обрешеткуСкрытый крепеж
Идеальную картинку крепежа вам подарит только скрытый монтаж. В этом случае вам не нужна ни подложка, ни покупка дополнительный заглушек. Нужен только качественный клей, немного терпения и ровная стена.
На стене необходимо будет наметить расположение всех элементов, в частности скрытых закладных деталей. К ним в последствии и будет крепится рейка.
Закладные детали прикручиваем саморезами к стене. Затем берем рейку (баффель) и промазываем ее изнутри клеем. Уже после этого насаживаем на подготовленный крепеж. Важно подобрать качественный клей, чтобы он не подвел через некоторое время, а рейки не отвалились. Так что потраться время на подбор материала.
Целостность реек при таком способе не нарушается, поэтому и прослужат они дольше, и выглядят лучше.
Скрытый монтаж Скрытый монтажРезультат скрытого крепежа вас будет радовать больше, чем любой другой! Никаких лишних деталей и сложных работ. Но рука должна быть твердой, чтобы ровно рассчитать положение реек и создать ровный и динамичный рисунок. Не пренебрегайте предварительной наметкой карандашом схемы на стене.
Если навыков у вас не так много, то крепите короткие рейки в высоту, соединяя их друг с другом стык в стык. Длинные рейки будет сложно прижимать к стене, чтобы лучше схватился клей. Лучше уж тогда прикручивать рейку саморезом к обрешетке.
Кстати, способ скрытого монтажа хорош еще и в случае, если вы хотите крепить реечное полотно в разных направлениях, создавая особый рисунок, то такой монтаж сослужит хорошую службу! Взгляд не будет отвлекаться от самого полотна на места углубления саморезов.
Причудливые рисунки рейками Причудливые рисунки рейкамиЕще один способ, который покажется многим наиболее простым – сборка цельного полотна не на стене, а разом на столе, с последующим креплением к стене. То есть, вы создаете единое полотно, а уже потом целиком крепите его к стене.
Подойдет этот способ, если между рейками не планируется широкий шаг, либо они будут идти вплотную. Во втором случае можно дополнительно склеить их между собой. Конструкция будет надежнее.
Но есть и существенный минус: если повредиться она рейка, демонтировать придется всю конструкцию целиком.
Сборка панно перед креплением к стене Сборка панно перед креплением к стенеИтак, как можно заметить, монтаж реек – не такой уж и сложный процесс. Здесь важно подобрать правильные материалы и рассчитать все процессы, следовать им четко и без самодеятельности. Выбирайте тот способ, который будет проще реализовать именно вам и который подойдет под желаемый эффект.
28.04.2021 ♥ Ремэлль . Подписывайтесь и оставайтесь с нами — получайте полезную информацию первыми.