Рейки на стене. Как крепить деревянные рейки к стене: все способы фиксации изделий
- Рейки на стене. Как крепить деревянные рейки к стене: все способы фиксации изделий
- Рейки на стене с подсветкой. WhatsApp звонок со всего мира бесплатно
- Рейка с подсветкой
- Этот проект наглядно демонстрирует, как стильно и технологично выглядит рейка с подсветкой в интерьере!
- Как же устроена рейка с подсветкой изнутри? Давайте смотреть детали!
- Для начала подберем световой профиль для размещения в боковой части рейки,
- Осталось установить блок питания светодиодной ленты
- Рейки на стене в интерьере. Декоративные рейки для стен в интерьере: гостиной, прихожей, кухни и спальни. Инструкция, как сделать и крепить деревянные баффели
- Рейки на стене, как крепить. Как крепить декоративные рейки к стене?
Рейки на стене. Как крепить деревянные рейки к стене: все способы фиксации изделий
9 мин.
Стены
В наше время нет недостатка в строительных и отделочных материалах. Кроме того, постоянно появляются новые технологии, которые позволяют сделать оформление интерьера уникальным, эффектным, запоминающимся. Сейчас стремительно «набирают обороты» не совсем обычные претенденты: это деревянные рейки, превратившиеся в универсальные материалы. Тонкими декоративными планками (баффелями, ламелями) украшают стены и потолки, из них создают глухие и воздушные перегородки для зонирования помещений. Поскольку такой вид украшения у нас пока в новинку, многим хозяевам может быть интересно, как крепить деревянные рейки к стене или потолку. Способов фиксации этой оригинальной отделки есть несколько.
Виды декоративных реек

Выбор метода крепления баффелей зависит от материала, из которого они изготовлены. Поэтому сначала нужно познакомиться с разновидностями оригинальной отделки.
Декоративные планки для отделки стен и потолков могут иметь разные размеры. Ширину и толщину реек выбирают в зависимости от дизайнерского решения, размеров помещения и т. д. Если оформляют только одну или несколько стен комнаты, то используют маленькие планки.
Для просторных помещений и стен больших площадей подойдут более крупные и выразительные декоративные рейки. Для небольших и средних комнат приобретают изделия 20х40 мм, 25х40 мм, 30х30 мм, 30х40 мм и 20х50 мм, для создания перегородок-решеток используют рейки 30х80, 40х100 и 50х80 мм. Длину баффелей подбирают самостоятельно: их размеры — от 900 до 5000 мм.
Изделия из массива дерева

Наиболее популярными породами деревьев для изготовления декоративных реек является несколько кандидатов: в этой роли очень хорош бук, дуб и ясень. Первая древесина прочна и износоустойчива, однако она очень «охотно» впитывает влагу, поэтому нуждается в надежной защите от влаги. Один из вариантов «спасения» — использование лака: его наносят несколько слоев. Дуб и ясень практически неуязвимы, поэтому такие баффели отличаются более высокой ценой.
Декоративные рейки изготавливают из акации, граба, карельской березы, липы, лиственницы, ореха, сосны и ели. Последние две породы не лучшие претенденты для монтажа во влажных помещениях и в «горячих точках» — у плиты, камина, в парилке. Такой материал неравнодушен к влаге, очень чувствителен к перепадам температур. Красная или черная древесина — самые дорогостоящие, безукоризненные варианты. К экзотическим породам относится амарант, красный сандал (сандаловое дерево), махагони, мербау, падук, рамин, тик и т. д.

Рейки на стене с подсветкой. WhatsApp звонок со всего мира бесплатно
Рейка с подсветкой
Рейка с подсветкой – очень стильное и трендовое интерьерное решение. Применение рейки в интерьере очень широко. Например, регулярно возникает у нас тема арочного освещения. Световой проект для оформления арок мы реализовывали и в жилых помещениях, и в качестве уличных объектов .
Но дизайнерская мысль всегда находит новые решения!
Дизайнеры из Тулы Наталья Сидорова и Наталья Фахрутдинова создали интересный проект интерьера.
Центральный объект – межкомнатная арка со встроенными в рейки световыми конструкциями.
Этот проект наглядно демонстрирует, как стильно и технологично выглядит рейка с подсветкой в интерьере!

Чтобы реализовать задумку с освещением в рейке в арочном варианте нужно было подобрать качественный материал.
Идеальную рейку из дуба мы искали долго. Ровную рейку, которая не гнется «саблей», с добросовестной обработкой и натуральным покрытием нашли у trendfloor в Самаре.
Но рейка – первый шаг на пути создания арки с подсветкой. Почему мы предъявляли особые требования к качеству рейки? Рейка должна идеально выдерживать фрезерную обработку под специальную ультратонкую систему узких профилей и светодиодных лент.
Работа по монтажу освещения в рейку была кропотливой. Но наличие ультратонких блоков питания высотой всего 15 мм облегчило задачу. Применение таких технологичных решений позволяет работать с рейкой даже небольшого размера – высотой от 20 мм!
Конечно, реализация такого проекта возможна только при условии включенности всех партнеров. Совместная работа двух компаний, поставщика рейки trendfloor_smr и нас, как разработчиков и производителей встраиваемой световой технологии, сделало возможным существование этого интерьерного решения.
Создать рейку со встроенной подсветкой мы можем на производстве. Любой формы, любого размера.
В наших правилах делиться закулисьем нашего цеха. Это показывает то, какие возможности открываются перед дизайнерами при проектировании интерьеров.
Технология скрытого света, светильники в рейке и арочное освещение – это на 100% интерьерные тренды.
Так давайте использовать потенциал скрытого света в рейке в полном объеме!
Дизайнеры интерьера и экстерьера, какие удивительные технологии ждут ваших проектов!


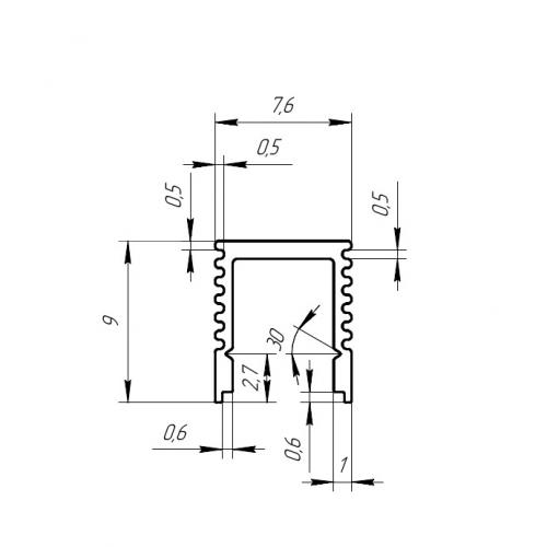
Как же устроена рейка с подсветкой изнутри? Давайте смотреть детали!
Для начала подберем световой профиль для размещения в боковой части рейки,
Изначально мы планировали использовать профиль размера 16*12мм. Но нам нужно помнить о том, что внутри рейки еще должен прятаться блок питания. А в этом случае для него места нет. Поэтому выбор мы остановили на профиле более компактного размера 7*9 мм.
Осталось установить блок питания светодиодной ленты
Для использования внутри рейки нам нужен ультраузкий блок питания. Он имеет габариты сечения 15*15 мм. Подходит!
Рейка с подсветкой готова!
Мы отточили технологию монтажа светильников внутрь рейки. Вся суть технологии продемонстрирована на минимальном размере рейки. Это значит, что мы можем масштабировать ее под любой проект. Причем наше техническое решение обеспечит минимальную потерю высоты при монтаже рейки на стене или в дверном проёме.




Рейки на стене в интерьере. Декоративные рейки для стен в интерьере: гостиной, прихожей, кухни и спальни. Инструкция, как сделать и крепить деревянные баффели
Внутренняя отделка помещений всегда требует детального подхода, тщательного выбора материалов, подготовку плана для будущего интерьера. На практике важное значение имеет не только качественный состав используемого покрытия, но и форма, расцветка, наличие декоративных элементов, расположение.

Для быта владельцу квартиры или дома важно знать особенности ухода за выбранным покрытием. Огромного внимания заслуживает отделка стеновых панелей. Для этой цели используют обои, краску, декоративную штукатурку, мягкие панели и, конечно, деревянные рейки.

Преимущества использования деревянных реек
Дизайн жилого помещения во многом определяется качествами и свойствами выбранного отделочного материала.

Деревянные рейки обладают особой популярностью среди владельцев собственных квартир ввиду ряда преимуществ:
- Древесина относится к экологически чистым материалам, которые не содержат вредных примесей, токсичных веществ, едких смол.
- Для производства декоративных материалов применяются только акриловый лак и витражные краски, не вызывающие аллергическую реакцию или ряд заболеваний.
- Рейки позволяют создать геометрически правильное пространство, придавая помещению своеобразную симметрию и организованность.
- Деревянные детали имеют приятную природную расцветку, поэтому баффели весьма органично смотрятся в интерьере.
- При правильной предварительной обработке дерево приобретает устойчивость к воздействию влаги, резким перепадам температур. При наличии защитного акрилового слоя рейки можно даже протирать влажной ветошью, очищая их от скопившейся пыли.
- На практике подобные отделочные материалы используют не только для декора стен, но и для проведения зонирования в доме. Например, ряд деревянных реек может служить перегородкой между кухней и гостиной в квартире студии. С помощью подобного материала удается организовать детскую спальню для двоих детей, особенно, разного пола.
- К преимуществам дерева следует отнести универсальность использования, поскольку древесина отлично сочетается со всеми типами отделочных материалов, например, с кирпичом, камнем, штукатуркой.
Рейки на стене, как крепить. Как крепить декоративные рейки к стене?
Декоративные рейки и шпонированные реечные перегородки
Современный интерьер, будь это квартира, частный дом, бизнеса центр или торговое помещение, сейчас уже трудно представить без прогрессивного дизайна. Каждый хозяин, собственник или временный арендатор стремится придать своим помещениям эстетический внешний вид и пожарную безопасность. Современным и отвечающим всем требованиям материалом являются декоративные стеновые и потолочные рейки и реечные перегородки .
Об этом материале и будет статья подготовленная специалистами компании REMinterio. А если Вы уже знаете все про рейки и балки, то мы предлагаем сразу перейти в форму обратной связи внизу страницы и отправить проект специалисту чтобы купить декоративные рейки или реечные перегородки.
Прежде чем установить деревянные рейки на стене в интерьере, необходимо выбрать материал, из которого они будут сделаны.
- Сосна — самая недорогая и доступная по цене древесина. Её редко поражает грибок или повреждают насекомые. Однако, с подготовкой придется повозиться: сосна требует пропитки от влаги и обработки щелочью перед нанесением лака.
- Бук — дороже, но прочнее сосны. Из недостатков — возможность гниения, поэтому требует обработки специальным составом.
- Дуб — долговечная и прочная, но в то же время дорогая элитная порода. Массив дуба отличается устойчивостью к влаге, насекомым и плесени, поэтому для него будет достаточно поверхностной обработки.
- МДФ со шпоном — прочная и недеформируемая альтернатива. Из-за клея в составе такой материал не самый экологичный. К тому же, внешне даже шпонированный МДФ отличается от натурального дерева.
- Металл — самый долговечный вариант из всех возможных. Стоит дороже древесины и встречается реже. Может быть любого цвета, в том числе с имитацией структуры дерева. Серые окрашенные ламели прекрасно смотрятся в интерьере в стиле минимализм и хай-тек, черные — в лофте, белые — в сканди, цветные — в модерне или провансе.